首页>> 产品中心>> MOSFET>> SGT MOS>>

SGT MOS
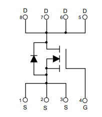
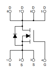
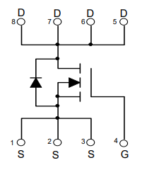
Part Number Download Circuit Status Type Process

ESD

Yes/No

VDS

V

VGS

V

ID

A

VGS(TH)

V

RDS(mΩ)@VGS

10V Typ

RDS(mΩ)@VGS

10V Max

RDS(mΩ)@VGS

4.5V Typ

RDS(mΩ)@VGS

4.5V Max

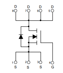
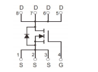
Package
Active
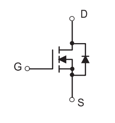
Single-N
SGT
No
+20 /-12
+20/-12
±20
±20V
1.2~2.2
1.2~2.4
1.2~2.5
1.2~2.5
1.3~2.2
1.3~2.3
1.3~2.5
1.3~2.5
1.4~2.4
1.4~2.5
1.4~2.4
1.5~2.5
1.5~2.5
1~2
1~2.5
1~3
1~2.5
2.0~4.0
2.0~4.0
2.4~3.8
2~4
2~4
DFNWB3x3-8L
PDFNWB3.3x3.3-8L
PDFNWB5x6-8L
PDFNWB5x6-8L-F
SOP8
TO-220-3L-C
TO-220F
TO-251S
TO-252-2L
TO-263-2L
CJAC2R0SN06AL


Active
Single-N
SGT
No
60
±20
260
1.5~2.5
1.5
2
2.4
3
PDFNWB5x6-8L
CJAC75SN10AL


Active
Single-N
SGT
No
100
±20
75
1.2~2.5
7.5
9
9.6
13
PDFNWB5x6-8L
CJAC1R3SN06AL


Active
Single-N
SGT
No
60
±20
300
1.5~2.5
0.9
1.2
1.4
2.2
PDFNWB5x6-8L
CJAC012SN15BH


Active
Single-N
SGT
No
150
±20
80
2.0~4.0
9.1
11.5
-
-
PDFNWB5x6-8L
CJAC1R9SN04AL


Active
Single-N
SGT
No
40
±20
200
1.3~2.5
1.5
1.9
2.4
3.5
PDFNWB5x6-8L
CJAC6R0SN04AL


Active
Single-N
SGT
No
40
±20
55
1.5~2.5
4.2
5.5
7.7
10.8
PDFNWB5x6-8L
CJAC1R6SN03A


Active
Single-N
SGT
No
30
±20
240
1.2~2.2
1.4
1.7
2
2.8
PDFNWB5x6-8L
CJAC40SN10H


Active
Single-N
SGT
No
100
±20
40
2.0~4.0
14
17
-
1
PDFNWB5x6-8L
CJAC1R2SN03A


Active
Single-N
SGT
No
30
±20
300
1.3~2.2
0.9
2.2
1.4
2
PDFNWB5x6-8L
CJAC5R6SN03AL


Active
Single-N
SGT
No
30
±20
40
1.2~2.4
4.7
5.6
7.5
10
PDFNWB5x6-8L
CJAB6R0SN04AL


Active
Single-N
SGT
No
40
±20
90
1.5~2.5
4.1
5.5
7.3
10
PDFNWB3.3x3.3-8L
CJAC3R6SN10AH


Active
Single-N
SGT
No
100
±20
180
2.4~3.8
3
3.6


PDFNWB5x6-8L-F
CJQ014SN06AL


Active
Single-N
SGT
No
60
±20
12
1.3~2.5
9.4
11.5
13.3
16.5
SOP8
CJAC5R0SN06AL


Active
Single-N
SGT
No
60
±20
98
1.3~2.3
3.8
5
5.2
7.6
PDFNWB5x6-8L
CJAC6R0SN10AL


Active
Single-N
SGT
No
100
±20
95
1.4~2.4
4.6
6
6.5
8.6
PDFNWB5x6-8L
CJAC75SN10L


Active
Single-N
SGT
No
100
±20
75
1.4~2.5
9.4
12
12.4
16
PDFNWB5x6-8L
CJQ9R9SN065AL


Active
Single-N
SGT
No
65
±20
11
1.3~2.5
7.5
9.9
9.7
15
SOP8
CJQ10SN15S


Active
Single-N
SGT
No
150
±20
10
2~4
40
52
-
-
SOP8
CJAB30SN10H


Active
Single-N
SGT
No
100
±20
30
2~4
14
17.5
-
-
PDFNWB3.3x3.3-8L
CJD65SN10H


Active
Single-N
SGT
No
100
±20
65
2~4
11
13.6
-
-
TO-251S